ProductDetail

Valvola a sfera 3 vie - Montaggio a pannello

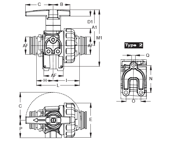
AF - ON/OFF flow | M-F
  • Struttura in polipropilene rinforzato con fibra di vetro per una maggiore robustezza e resistenza chimica.
  • Sedi in Teflon garantiscono una facile maneggevolezza ed una buona tenuta.
  • Guarnizioni in EPDM per trattamenti con fertilizzanti e agenti chimici. Viton® disponibile su richiesta.
  • Pressione di lavoro per dimensioni fino a 1”1/4 PN 16, per dimensioni superiori PN 10. MF = Maschio/Femmina LL = Leva lunga LC = Leva corta
Caratteristica del prodotto Valvola a sfera 3 vie - Montaggio a pannello
AF6 FORK
Foto del prodotto Valvola a sfera 3 vie - Montaggio a pannello
Zoom
Anteprima foto del prodotto Valvola a sfera 3 vie - Montaggio a pannello
Caratteristiche
P/N
#h
AF
Leva
A1 mm
B mm
C mm
D1 mm
E mm
H
I mm
L mm
M1 mm
N mm
O mm
P mm
Q
Temperatura °C
Pressione d'esercizio bar
Tipo
Pack
mm
8218776
MF
6
LL
103
49
80
36
99
48
76
124
163
34
27
51
M8
60
10
2
10
Highlights
Dettagli in evidenza del prodotto Valvola a sfera 3 vie - Montaggio a pannello
Dettagli in evidenza del prodotto Valvola a sfera 3 vie - Montaggio a pannello
Schemi
Schemi del prodotto Valvola a sfera 3 vie - Montaggio a pannello

Accessori

Modello

Sei nostro cliente e vuoi scoprire maggiori dettagli? Accedi all'area dedicata.

Non possiedi le credenziali? Richiedile al Responsabile Commerciale di riferimento.