ProductDetail

Valvola a sfera a 3 vie

AF - Flusso ON/OFF
  • Struttura in polipropilene rinforzato con fibra di vetro per una maggiore robustezza e resistenza chimica;
  • Sedi in Teflon garantiscono una facile maneggevolezza ed una buona tenuta;
  • Guarnizioni in EPDM per trattamenti con fertilizzanti e agenti chimici. Viton® disponibile su richiesta;
  • Pressione di lavoro per dimensioni fino a 1”1/4 PN 16, per dimensioni superiori PN 10.
  • Disponibile anche in versione per montaggio a pannello (PM) LL = Leva Lunga LC = Leva corta
Caratteristica del prodotto Valvola a sfera a 3 vie
AF3 FORK
Caratteristica del prodotto Valvola a sfera a 3 vie
AF5 FORK
Caratteristica del prodotto Valvola a sfera a 3 vie
AF6 FORK
Caratteristica del prodotto Valvola a sfera a 3 vie
AF7 FORK
Foto del prodotto Valvola a sfera a 3 vie
Zoom
Anteprima foto del prodotto Valvola a sfera a 3 vie
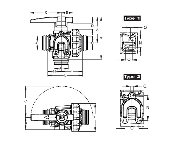
Caratteristiche
P/N
AF
Leva
A mm
B mm
C mm
D mm
E mm
H
I mm
L mm
M mm
N mm
O mm
P mm
Q
Temperatura °C
Pressione d'esercizio bar
Tipo
Pack
mm
8216601
3
LL
80
42
42
16
59
33
52
88
98
-
-
-
-
60
10
-
10
8216651
4
LL
73
42
53
20
69
34
60
94
115
25
20
37
M8
60
16
1
10
8216701
5
LL
80
42
80
20
82
38
64
102
128
25
20
43
M8
60
10
1
10
8216751
6
LL
87
49
80
20
99
48
76
124
149
34
27
51
M8
60
10
2
10
8216801
7
LL
110
49
130
25
116
57
89
146
178
78
43
51
M8
60
8
2
10
8216704
5
LC
80
42
53
20
82
38
64
102
128
25
20
43
M8
60
10
1
10
8216754
6
LC
87
49
60
20
99
48
76
124
149
34
27
51
M8
60
10
2
10
8216804
7
LC
110
75
75
25
116
57
89
146
178
78
43
51
M8
60
8
2
10
Highlights
Dettagli in evidenza del prodotto Valvola a sfera a 3 vie
Schemi
Schemi del prodotto Valvola a sfera a 3 vie

Accessori

Modello

Sei nostro cliente e vuoi scoprire maggiori dettagli? Accedi all'area dedicata.

Non possiedi le credenziali? Richiedile al Responsabile Commerciale di riferimento.